紫外线消毒灯,顾名思义,便是利用紫外线进行灭菌消毒的灯具,紫外线向外辐射波长为253.7nm的紫外线(UV),该段波长的紫外线杀菌能力极强,可以迅速破坏细菌、病毒的DNA和RNA,因此可用于对水、空气、衣物消毒,但不可直接应用于人体,长时间作用于人体会引起皮肤红肿,脱屑,结膜以及角膜发炎。

传统的紫外线灯多数为灯管,需要高压输入,不易于携带,LED紫外线灯解决了这个缺点,它的单颗灯珠电压一般为6-7V,这样便可以利用单颗锂电池供电,随处携带,使用方便。
疫情之下,安能独善其身,抗疫还没有结束,为了答谢新老客户的厚爱,一款利用南麟电源IC开发的LED紫外线消毒灯方案应运而生。
一.充电部分 XT4052
采用SOT23-5的封装形式,更加方便应用
专门设计适用于USB的供电规格
在应用上不需要外部电阻和阻塞二极管
芯片内部集成热反馈,防止温度过高,有效保护芯片

由于单节锂电池最高电压只有4.2V,远远达不到LED紫外线灯的供电需求,因此我们选用LN2120芯片,可以有效地给灯珠提供一个恒定的电流。
输出电压最高可以达到24V
输入电压为3.6V时,能驱动17并3串,共51个LED
内部集成过压和温度保护
LED的亮度可以外加一个PWM信号来控制
内部集成一个内阻0.2Ω的功率管

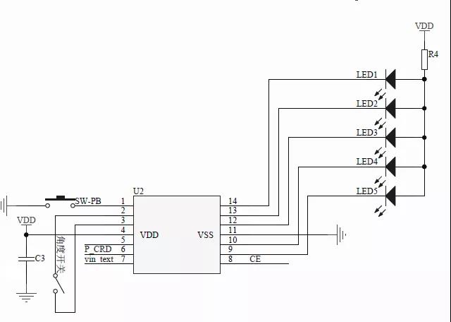
三.MCU控制部分
电池电量显示:25%、50%、75%、100% 在紫外线灯对着人时,自动关闭,保证安全
紫外线照射一段时间后,自动关闭

南麟紫外消毒灯方案实物图如下:

(PCBA方案免费提供)
南麟电子作为中国较早一批成立的模拟芯片设计公司,在电源管理芯片领域长期不懈为各电子整机厂提供全套的电源解决方案。
南麟芯片产品包括LDO、BUCK、BOOST、运放、霍尔开关、充电管理、锂电池保护、UVLED驱动、电机驱动及MOSFET等多种门类,欢迎垂询。







微信公众号