直流无刷电机(BLDC)是一种用电子换向的直流电机,直流无刷电机由电机主体和驱动器组成。电机的定子绕组一般为三相对称星形接法,电机的转子为永磁体。为了检测电机转子的极性,在电机内装有位置传感器。
直流无刷电机主要优点:
电子换向来代替传统的机械换向,性能可靠
无磨损,寿命高
体积小,功率密度高
效率高,过载能力强
可以低速大功率运行

由于直流无刷电机的优点,在越来越多的应用中被广泛使用,如汽车、工业控制、工具、泵类、家电等等。直流无刷电机可以分为三种主要用途:
持续负载应用
可变负载应用
控制定位应用

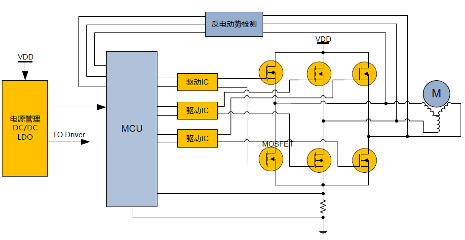
随着直流无刷电机越来越多地取代传统交流电机和有刷电机,直流无刷电机驱动的市场也不断增加。在各种应用系统中,直流无刷电机必须要与无刷电机控制器配合使用。
直流无刷控制器的基本架构如下:

南麟电子推出一系列直流无刷电机相关的产品:包括电机驱动芯片、电源管理芯片、MOSFET等。



南麟电子推出12V~200V中低压/小内阻MOSFET(Vds:12V-200V;Rdson:1-20mΩ),采用SOP8、PDFN5*6封装,广泛应用于锂电保护、电机驱动、PD电源等应用场合。



电源管理 用芯则“麟”
南麟——专注电子系统安全16年
南麟电子作为中国较早一批成立的模拟芯片设计公司,在电源管理芯片领域长期不懈为各电子整机厂提供全套的电源解决方案。
南麟芯片产品包括LDO、BUCK、BOOST、运放、霍尔开关、充电管理、锂电池保护、UVLED驱动、电机驱动及MOSFET等多种门类,欢迎垂询。
联络人







微信公众号