无线充电技术(英文:Wireless charging technology;Wireless charge technology )源于无线电能传输技术,可分为小功率无线充电和大功率无线充电两种方式,充电器与用电装置之间以磁场传送能量,两者之间不用电线连接,因此充电器及用电的装置都可以做到无导电接点外露。
无线充发射端方案小功率版
无线充发射端方案大功率版

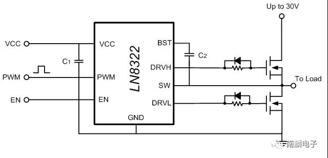
DC-DC降压芯片LN8120 产品概述 LN8120 is a wide inputrange, high-efficiency and high frequency DC-to DC step-down switching regulator,capable of delivering up to 2A of output current. With a fixed switchingfrequency of 500KHz, this current mode PWM controlled converter allows the useof small external components, such as ceramic input and output caps, as well assmall inductors. LN8120 also employs a proprietary control scheme that switchesthe device into a power save mode during light load, thereby extending therange of high efficiency operation. An OVP function protects the IC itself andits downstream system against input voltage surges. With this OVP function, theIC can stand off input voltage as high as 19V, making it an ideal solution forindustrial applications such as LCD TV, Set Top Box, Portable TV, etc. 产品特点 Wide Input Range: 4.2V-18V High Efficiency PFM mode at light load Capable of Delivering 2A No External Compensation Needed Current Mode Control Thermal Shutdown and UVLO Excellent Load and Line Transient Response 典型应用电路 栅极驱动芯片LN8322 产品概述 LN8322是一款可驱动高端和低端N沟道MOSFET栅极驱动芯片,用于同步降压、升降压和半桥拓扑中。高边侧悬浮电压的工作电压可以高达30V。 LN8322内部集成欠压锁死电路可以确保MOSFET在较低的电源电压下处于关断状态,以提高转换效率。集成使能关断功能,可以同时关断HO、LO的输出。 LN8322内置死区自适应功能,可以适应更多规格MOSFET,同时简化设计的繁琐。 LN8322采用ESOP-8、MSOP-8、DFN3*3-8等多种封装形式,给方案设计带来更多的选择。 应用领域 半桥/全桥转换器 同步降压、升降压拓扑 电子烟、无线充MOSFET驱动器 产品特点 电源电压工作范围为4.5V~13.2V 内置自举二极管 输出电流:+2A/-2A 兼容3.3V和5.5V PWM输入 UVLO时EN端输出低电平 内建死区自适应功能来防止FET交叉导通 EN端可同时关断上下两个MOSFET VCC欠压锁死功能 采用SOP-8/ESOP-8、DFN3*3和MSOP8封装 绿色环保无卤,满足ROHS标准 封装 ESOP-8 DFN3*3 MSOP-8 典型应用电路 MOSFET 双MOS封装示例 电源管理 用芯则“麟” 南麟——专注电子系统安全16年 南麟电子作为中国较早一批成立的模拟芯片设计公司,在电源管理芯片领域长期不懈为各医疗电子整机厂提供全套的电源解决方案。 南麟芯片产品包括LDO、BUCK、BOOST、运放、霍尔开关、充电管理、锂电池保护、UVLED驱动、电机驱动及MOSFET等多种门类,欢迎垂询。











微信公众号